MWMECH
MWMP-192011
Ja
SKH51
Titanbeschichtung
| Verfügbarkeitsstatus: | |
|---|---|
| Menge: | |
|
| |
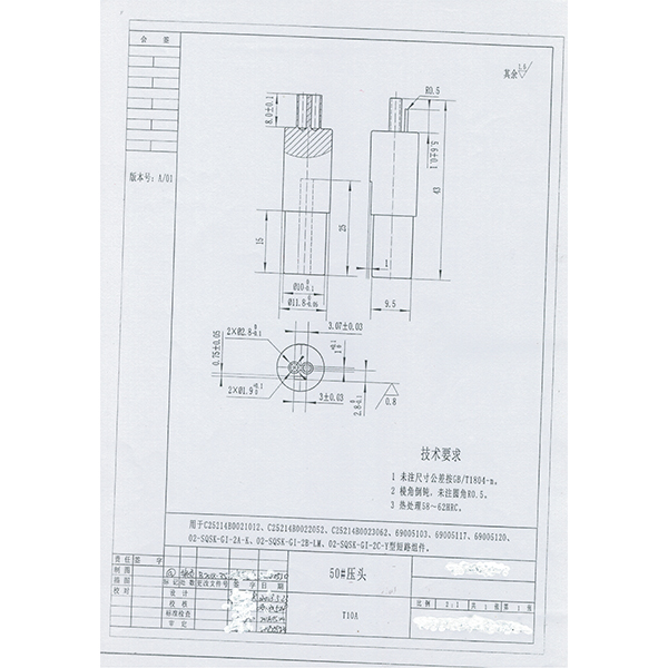
These pictures and drawings are our customized products. It shows our supply ability. Due to the Intellectual Property, it's only for reference.
Assemble Line work fixture& tooling devices and components are the key back up for the factory automation processing line. These products involve in the processing steps of blanking, machining, bending, welding, assembling, inspecting etc.
Many kinds of precision punches are functioning to transmit physical force to assemble and organize different elements, components or sections together. There are punch, punch pins, ejector pins, press head, header punch… etc. Some are for die and mould parts, some are simply for force power transmitting in the assemble line device.
Various of metal materials with different surface treatments are adopted to satisfy with your requirements and keep efficient running of your production line. Since the work fixture tooling and parts are closely connected with the practical production scenes and conditions, we produce customer orientated and non-standard OEM products.
You need to provide clear drawings and requirements so as to for our engineers understand thoroughly. Our regular service scope as following but not limited, up to your drawings:
Assemble Line Work Fixture and Tooling,
Altimetric Survey Mechanism Tooling,
Height Detection Mechanism Tooling,
Inspection Assemble Line Work Fixture and Tooling,
Cutting Assemble Line Work Fixture and Tooling,
Testing Assemble Line Work Fixture and Tooling,
Measuring Assemble Line Work Fixture and Tooling…
Non-Standard Mechanical Parts for Assemble Line,
Assemble Line Punch,
Assemble Line Head Punch,
Assemble Line Connecting -Adapter Parts,
Assemble Line Mounting Plate Components,
Assemble Line Metal Gripper,
Assemble Line Guide Sleeves,
Assemble Line Orientation Inserts,
Assemble Line Flange Connector parts,
Assemble Line Device,
Orientation Parts for Assemble Line,
Measurement Parts for Assemble Line,
Non-Standard Inspection Parts,
Non- Standard Metal Cutters for Assemble Line…
Good consistency, stable quality, precision tolerances +/-0.002mm to +/-0.005mm.
Almost zero repair rate and defective products, all replacement or repair for free due to our fault.
Reliable substitute of German (HASCO) or Japan (MISUMI)'s similar parts with excellent quality whereas with very reasonable price.
ISO quality assurance system.
Inner: bubble bag, PE bag or plastic seal with anticorrosive oil plus outer carton box, or other safe package.
![]() | ![]() | ![]() |
![]() | ![]() |
3) Relevant parts we can do -precision edge-closing die
FAQ
Q: What service can you do?
A: OEM/ODM. Free samples available after price confirmed, but you need to share the sample freight. We produce the parts per customers' drawing or sample. Concerning the protection of customers' intellectual property, we don' t sell our customers’same product to the third party.
Q: What data should the customer provide for a precise quotation?
A: The drawings or samples, quantity, tolerance, standard, material, surface finish, other special requirements, etc.
Q: What're your delivery methods?
A: DHL, EMS, UPS, land transport or sea freight available.
Q: How do you assure the quality control?
A: Full inspection with test report and material composition certificate for each order and 1-year after-sale service. Almost zero repair rate and defective products all replacement or repair for free within a year.
Q: How long is your lead time?
A: 10-30days up to the quantity.
Q: what surface treatments can you deal with?
A: Titanium nitride (TiN), TiCN, titanium plating, blackening, carburize, zinc plating, zinc coating, galvanization, chrome plate, etc.
Q: what's your payment term?
A: T/T, western Union, PayPal, L/C...etc.
These pictures and drawings are our customized products. It shows our supply ability. Due to the Intellectual Property, it's only for reference.
Assemble Line work fixture& tooling devices and components are the key back up for the factory automation processing line. These products involve in the processing steps of blanking, machining, bending, welding, assembling, inspecting etc.
Many kinds of precision punches are functioning to transmit physical force to assemble and organize different elements, components or sections together. There are punch, punch pins, ejector pins, press head, header punch… etc. Some are for die and mould parts, some are simply for force power transmitting in the assemble line device.
Various of metal materials with different surface treatments are adopted to satisfy with your requirements and keep efficient running of your production line. Since the work fixture tooling and parts are closely connected with the practical production scenes and conditions, we produce customer orientated and non-standard OEM products.
You need to provide clear drawings and requirements so as to for our engineers understand thoroughly. Our regular service scope as following but not limited, up to your drawings:
Assemble Line Work Fixture and Tooling,
Altimetric Survey Mechanism Tooling,
Height Detection Mechanism Tooling,
Inspection Assemble Line Work Fixture and Tooling,
Cutting Assemble Line Work Fixture and Tooling,
Testing Assemble Line Work Fixture and Tooling,
Measuring Assemble Line Work Fixture and Tooling…
Non-Standard Mechanical Parts for Assemble Line,
Assemble Line Punch,
Assemble Line Head Punch,
Assemble Line Connecting -Adapter Parts,
Assemble Line Mounting Plate Components,
Assemble Line Metal Gripper,
Assemble Line Guide Sleeves,
Assemble Line Orientation Inserts,
Assemble Line Flange Connector parts,
Assemble Line Device,
Orientation Parts for Assemble Line,
Measurement Parts for Assemble Line,
Non-Standard Inspection Parts,
Non- Standard Metal Cutters for Assemble Line…
Good consistency, stable quality, precision tolerances +/-0.002mm to +/-0.005mm.
Almost zero repair rate and defective products, all replacement or repair for free due to our fault.
Reliable substitute of German (HASCO) or Japan (MISUMI)'s similar parts with excellent quality whereas with very reasonable price.
ISO quality assurance system.
Inner: bubble bag, PE bag or plastic seal with anticorrosive oil plus outer carton box, or other safe package.
![]() | ![]() | ![]() |
![]() | ![]() |
3) Relevant parts we can do -precision edge-closing die
FAQ
Q: What service can you do?
A: OEM/ODM. Free samples available after price confirmed, but you need to share the sample freight. We produce the parts per customers' drawing or sample. Concerning the protection of customers' intellectual property, we don' t sell our customers’same product to the third party.
Q: What data should the customer provide for a precise quotation?
A: The drawings or samples, quantity, tolerance, standard, material, surface finish, other special requirements, etc.
Q: What're your delivery methods?
A: DHL, EMS, UPS, land transport or sea freight available.
Q: How do you assure the quality control?
A: Full inspection with test report and material composition certificate for each order and 1-year after-sale service. Almost zero repair rate and defective products all replacement or repair for free within a year.
Q: How long is your lead time?
A: 10-30days up to the quantity.
Q: what surface treatments can you deal with?
A: Titanium nitride (TiN), TiCN, titanium plating, blackening, carburize, zinc plating, zinc coating, galvanization, chrome plate, etc.
Q: what's your payment term?
A: T/T, western Union, PayPal, L/C...etc.
Add.: No.1518, F15, Building 1, Qianhai Life Financial Center, Jinqiao 3rd Road 418#, Chanba Ecological District, Xi'an, Shaanxi, China.